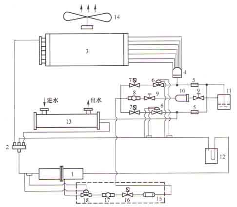
雙螺桿冷水機組制冷系�(tǒng)
�1)夏季單一冷卻循環(huán)
如圖5-29所�,循�(huán)流程如下:半封閉雙螺桿制冷壓縮機�1)四通換向閥�2)空氣換熱器�3)液體分配器�4)液體分配器�4)單向閥�5)高壓儲液罐�11)截止閥�9)截止閥�9)反射鏡�8)四通換�?qū)�?)氣液分離器�12)半封閉雙蝶形桿制冷壓縮機�

�5-29 雙螺桿冷熱水機組系統(tǒng)流程�
�2)冬季單一加熱循環(huán)
循環(huán)流程如下:半封閉雙螺桿制冷壓縮機�1)四通換向閥�2)干式殼管式換熱器(13)干式殼體換熱器�13)單向閥
�5)高壓貯存器�11)截止閥�9�858594; dryfilter�10�858594;截止閥(9)觀察鏡�8)電磁閥�7)熱膨脹�
�6)液體分配器�4)空氣交換器�3)高壓液體儲存器�11)(2)氣液分離器�12)半閉式雙螺桿制冷壓縮機�